礦用電動挖掘機
作者:鄄城中泰工程機械有限公司 發布時間:2017-12-19 本文被閱讀 1695 次



功能及特點:
該機適用于煤礦、金屬礦、非金屬礦、豎井、斜井及平巷掘進中的裝巖、清底以及凍土層的挖掘作業。該機具有以下特點:
與傳統的人工清底相比,使用該機在大大節約人工成本的同時提高了作業效率,改善了工作環境。操作者處于駕駛室保護下作業,有利于安全生產;
與傳統的柴油動力小型挖掘機相比,由于采用電動液壓系統,因而具有節約能源、噪音低、無尾氣污染、效率高的特點,更適用于井下使用:
該機結構緊湊、外型尺寸小,分裝部件小,便于垂直下井使用;采用zui小回轉結構,當機體上車回轉時其尾部也不會超出車寬,因此更適用與井下狹小空間作業。
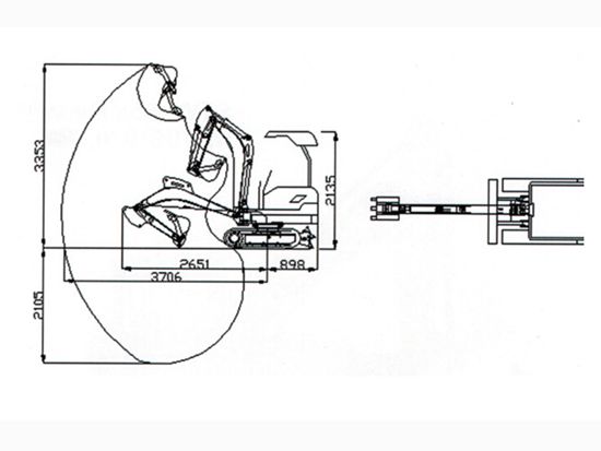
技術參數 TECHNICAL SPECIFICATIONS | ||
產品型號 | STW-18 | STW-20 |
整機重量(T) | 1.8 | 2.2 |
外形(長×寬×高)(mm) | 3500×1150×2300 | 3600×12002300 |
鏟斗容量(立方) | 0.03 | 0.05 |
zui大挖掘高度(mm) | 3300 | 3500 |
zui大挖掘深度(mm) | 2100 | 2200 |
zui小離地間隙(mm) | 200 | 200 |
zui大卸料高度(mm) | 1800 | 2200 |
zui大垂直挖掘深度(mm) | 2100 | 2200 |
行走速度(km/h) | 0.89 | 0.89 |
額定工作壓力(MPa) | 18 | 22 |
回轉角度 (。) | 360 | 360 |
電機總功率 (kw) | 11 | 18.5 |
| 下一條:柴電一體扒渣機,柴電雙動力扒渣機... | 上一條:銑挖機,銑挖頭,小型掘進機... |











